---吉他福-1+1=2是人类的“发明”还是“发现”?计算机是发明还是发现?-源内容页面---
1+1=2是人类的“发明”还是“发现”?计算机是发明还是发现?
电脑技术
老贾/吉他福 发布时间:2022/11/24 14:04:00 阅读次数:
327
支持
2
中立
1
反对
1
如果1+1=2是人类的发明,则自然界中本来就不会先存在有1+1=2这个东西,而如果仅仅是人类的发现,则1+1=2是先验的,是先于人类存在的,就像人们发现了美洲新大陆,你不能说他“发明”了新大陆。
实际上,1+1=2仅仅是发现,不是人类的发明,因为任何一个正常智商的人,即使你不教他1+1=2,他仍然能够感知到自然界的这种准则,如果人类灭绝了,后来的智能生命也一样会轻而易举的得知1+1=2。
仅供参考的内容。
计算机
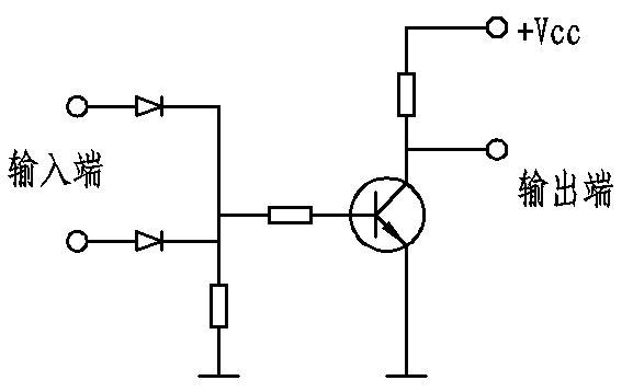
对于计算机来说,他的世界里1+1=2并不意味着发明或发现,因为计算机暂时还没有自主意识,计算机是被人类设计的,比如就说1+1=2这个底层计算电路,就仅仅是个逻辑门电路而已,并没有什么数学意识在里面。
“白黑白 黑黑白 白黑白 白黑白 白黑白 黑黑黑”就这样,屏幕上显示出了“1+1”这个图案。
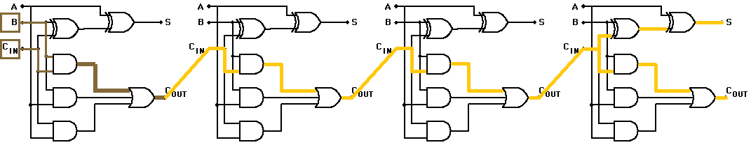
1+1=2的计算过程,应用加法器即可完成。

数字电路是二进制的,我们还要把二进制的10转换为十进制,即得到2。
A B Cout S
0 0 0 0
0 1 0 1
1 0 0 1
1 1 1 0
根据逻辑表达式,可以得知,只需要一个异或门和一个与门便可实现半加器。当A和B为1时,即1+1,S为零,C产生一位进位,得到10。
物理级

一个三极的晶体管由两个PN结组成,PN结主要由半导体材料构成,硅元素和锗元素位于第四主族,最外层有4个电子,结构稳定,是理想的半导体材料。
我们把最外层具有5个电子的第五主族元素,如磷(P)、砷(As)或锑(Sb)作为杂质掺杂到硅中,即可制成n型半导体。第五主族元素中的5个电子的其中4个和硅结合,剩余的一个即可自由移动成为自由电子,而这个电子就是n型半导体的载流子。
同理,把最外层具有3个电子的第三主族元素,如硼(B)、镓(Ga)或铟(In)作为杂质掺杂到硅中,即可制成p型半导体。第三主族元素的3个电子和硅的3个电子结合,其中一个价电子将不足以使硅和硼键合,从而产生了缺少电子的空穴,这个空穴就是p型半导体的载流子。
当有了n型半导体和p型半导体之后,我们便可以制作一个PN结。

将p型半导体与n型半导体制作在同一块硅片上,在它们的接触面,作为p区载流子的空穴向n区扩散,此时p区因为失去空穴而带负电;同理有,n区的电子向p区扩散,失去电子的n区则带正电,扩散最终达到动态平衡,就形成了PN结,在这个区域几乎没有载流子,所以它被称为 “耗尽层” 。


加法器

二进制计算机做加法,只需要教会它在2以内的加法就可以了。
全加器的门电路实现,将n个全加器级联起来,就是一个n位的加法器,这就是逐级进位加法器。如果位数n很大的话,整个加法器会变慢,最后会限制CPU主频的提高。

既然级联一位的加法器算有这样的缺点,那就干脆直接设计一个位数足够大的加法器。

关于数学
1+1=2不是定义,而是规律,自然数的规律,这个规律用皮亚诺公理呈现出来。
数学上,还有另一个非常有名的“(1+1)”,是指哥德巴赫猜想。哥德巴赫猜想表述为任何一个不小于7的奇数可以表成三个素数之和;偶数哥德巴赫猜想表述为任何一个不小于4的偶数可以表成两个素数之和(这其实就是1+1叫法的来源)。
显然哥德巴赫猜想并不是1+1=2的意思,仅仅是一个象征性的顺口说法。
在一个集合中,我们定义了一个封闭的二元运算“+”,它满足:交换律结合律存在一个元素(我们称之为“0”),对于任意元素X均有X+0=X之后,我们随意挑出一个元素,称之为“1”对于1+1的结果,有且只有三种可能1+1=0 1+1=1 以上皆非,此时我们把1+1的运算结果称之为“2”。
以这三种可能为出发点,我们可以建立三套不同的代数体系,只是现实中数学选用了第三套公理化体系。
数学是数学家构造出来的一个世界,但1+1=2是数学世界里本就存在的某种东西,是公理。
不定义的概念(原词)和不证明的命题(公理),正是从这些原词和公理出发堆起了庞大的体系。数学中的"集合"、“点”、“线”、“面”等都是。
数学发展出了不同的公理体系。
皮亚诺公理
怎么证明1+1=2?
首先,我们需要假定自己不是地球人,而是外星人,而且是那种从来没有学过数学的外星人。
现在再来看皮亚诺的那5条公理:
一:1是自然数。
二:任何自然数都有一个邻居,我们称之为这个自然数的后继数,它也是个自然数。
三:任何自然数的后继数都不是1。
四:任意挑选出两个自然数,就称呼其中一个为a,另一个为b。如果a的后继数和b的后继数刚好是同一个数。那么,a和b其实不是两个不同的自然数,而是同一个自然数。
五:假设自然数1有一个特点。而且,如果任意自然数n有这个特点,那么n的后继数也有这个特点。由前两句话就可以得出,所有自然数都有这个特点。
光有皮亚诺公理还不够。为了知道加法的含义,我们还需要补充一些公理。
皮亚诺就很聪明,只用了两条公理,就完美定义了所有的加法。
一:如果n是自然数,那么,n+1=n’。
二:如果n和m都是自然数,那么n’+m=(n+m)’。
现在,让我们先来用第一条公理。假设n就是1,那么1+1=1’。
1’只要被称之为2,那么就可以得出1+1=2了。
数学是客观存在的
一些学者非常强烈地认为数学真理在“那里”,等待被发现,这被称为柏拉图主义。许多数学家似乎都支持这种观点。
他们几个世纪以来发现的东西:没有最高质数、二的平方根是一个无理数、pi以十进制表示时,它将永远持续下去,这些都是永恒的真理,与发现它们的人无关。
如果我们有一天会遇到来自另一个星系的聪明的外星人,他们不会分享我们的语言或文化,但是柏拉图主义者会争论,他们很可能已经做出了同样的数学发现。
柏拉图主义有多种选择。一种流行的观点是,数学仅仅是一组规则,是由一组初始假设建立的,数学家称之为公理。一旦建立了公理,就可以进行大量的逻辑推论,尽管其中许多可能很难找到。
就像比特币挖矿一样,数学似乎更像是发明而不是发现。至少,这似乎是以人类为中心的。这种观点的极端形式会将数学简化为象棋游戏:我们写下象棋规则,从这些规则中可以遵循各种策略和后果,但是我们并不希望那些仙女座人觉得象棋特别有意义。
但是这种观点有其自身的问题。如果数学只是我们脑海中思考的东西,那为什么它应该与我们在自然界中观察到的东西“很好地”匹配?为什么数学被证明对描述物理世界如此有用呢?数学在解决物理问题中的用处“是我们既不理解也不应该得到的奇妙礼物”。
这种“不合理的效果”实际上是非常合理的,因为数学实际上是从一开始就被束缚在现实世界中的。
几千年来,数学家和哲学家一直在问同样的问题。
总结
所谓精神世界里的东西,它往往也是客观存在的,马克思也承认这一点,唯心唯物并不是两个清晰的对立概念。
支持👍
2
中立👌
1
反对👎
1
=================================
- - - 新人注册领红包,每天签到领福币 - - -